PSCAD 중급 교육 과정
[PSCAD 중급 과정]
중급 과정은 기초 수준을 넘어 전력 계통에서 발생하는 다양한 문제를 해석하고 설계하는 데 필요한 실무 기술을 제공합니다.
교육 목표
- 분산전원 연계 및 보호계전기 해석
- PSCAD 고급 기능 활용
교육 내용
- 분산전원(DER) 연계 해석
- 태양광, 풍력, ESS의 계통 연계 시뮬레이션
- 과도 해석(EMT)
- 고조파 분석, 계통 안정성 검토
- 보호계전기 해석
- 과전류계전기, 지락계전기, 방향성 계전기 동작 검토
- 비상상황 시뮬레이션
- 계통 사고 분석 및 예방 시뮬레이션
- 결과 데이터 처리
- 시뮬레이션 결과 데이터 가공 및 최적화
PSCAD 기초 교육 과정
PSCAD 교육 과정
PSCAD 교육 과정은 기초, 중급, 고급으로 나누어 전력 계통 해석, 설비 최적화, 사고 예방 등 다양한 기술을 체계적으로 학습할 수 있도록 구성되어 있습니다. 교육은 실습 위주의 소규모 진행으로, 참가자들이 PSCAD를 직접 다뤄보고 실무에 활용할 수 있도록 설계되었습니다.
[PSCAD 기초 과정]
PSCAD 기초 과정은 전력 시스템 시뮬레이션을 처음 접하는 분들을 대상으로 기본 개념과 활용법을 제공합니다.
교육 목표
- PSCAD 기본 사용법 및 환경 설정
- 간단한 전력 계통 모델링 및 분석
- 전문가가 만든 모듈 실행 및 활용
교육 내용
- PSCAD 기본 인터페이스 이해
- 프로젝트 생성 및 저장, 모듈 활용법
- 간단한 회로 모델링
- 단상 및 삼상 시스템 구성
- 단락 및 부하 해석
- 단락 전류 계산 및 부하 분포 분석
- 기본 블록 사용
- 저항, 리액터, 전압원, 부하 등 기본 요소 학습
- 결과 분석 및 리포트 생성
- 그래프 도구 활용, 결과 데이터 저장
- 모델링 결과 분석,
변압기 용량 및 수명 평가 기술 지원
현황 및 문제점
- 국내 변압기의 약 40%가 노후화되었으며, 변압기 과부하와 열화로 인해 예상 수명보다 조기 고장 가능성이 증가하고 있습니다.
- 변압기 수명을 체계적으로 예측할 수 있는 기술 부족으로 인해 노후 변압기의 효율적인 관리 방안이 미흡합니다.

변압기 용량 평가 기술
- 운전조건과 용량 관계 분석: 외기온도, 고조파 전류, 과부하 지속시간이라는 주요 운전조건과 변압기 용량의 관계를 정밀하게 분석합니다.
- 국제표준 기반 평가: IEC 60076-7 국제표준에 따라 절연지의 열화 상태를 아레니우스 수식을 통해 평가하며, 과부하 조건에서 변압기의 안전성을 검증합니다.

수명 평가 모델링 기술
- 열화상태 누적 평가: 외기온도 변화와 부하전류에 의한 온도 상승을 함께 평가하여 변압기의 열화 상태를 누적적으로 분석합니다.
- 잔여 수명 예측: 국제표준 부하 패턴과 실부하 데이터를 비교하여 변압기의 남은 수명을 정밀하게 예측하고, 체계적인 관리 방안을 도출합니다.

기대효과 및 기술 지원 내용
- 변압기 관리 최적화변압기의 교체 및 유지보수 시기를 구체적으로 제안하여 불필요한 비용을 절감합니다.
- 계통의 안정성과 비용 효율성을 고려한 최적의 관리 방안을 제공합니다.
- 하계 예측관리의 중요성
- 특히, 여름철(7~9월) 하계 시즌에 증가하는 변압기 과부하를 예측하고, 사전 대비할 수 있는 솔루션을 지원합니다.
- 국제표준 기반 분석
- 변압기 열화 상태와 수명 분석은 IEC 국제표준을 기반으로 수행되어 신뢰성과 정확성을 보장합니다.

맞춤형 기술 지원 및 컨설팅
- 파워링크는 고객의 변압기 운전 조건과 계통 환경을 분석하여 개별 맞춤형 기술 지원을 제공합니다.
- 고장 예방과 장기적인 설비 운영 안정성을 확보하는 데 필요한 데이터 기반의 의사결정을 지원합니다.
지금 바로 기술 상담을 신청하시면, 변압기 관리와 예측에 최적화된 솔루션을 만나보실 수 있습니다!
접지선 순환전류로 인한 설비 과열 및 접속 불량 문제 분석 기술 지원
파워링크는 한전 사내벤처로서 30년 이상의 전력계통 해석 경험과 PSCAD 전문 라이선스를 보유한 기술지원 전문기업입니다. 접지선 순환전류로 인해 발생하는 설비 과열 및 접속 불량 문제를 정밀하게 분석하고, 최적의 해결책을 제안하여 설비의 안정성과 효율성을 극대화합니다.
기술지원 소개
1. 문제 원인 분석
- 접지선 순환전류 발생 원인과 그로 인한 설비 과열 문제를 규명.
- 접속 불량 및 과도 전류로 발생하는 열적 손상과 설비 수명 단축 요인을 파악.
- 접지 시스템 설계 및 운영 과정에서 발생할 수 있는 불균형 전류와 열화 문제를 진단.
2. PSCAD 시뮬레이션 분석
- PSCAD를 활용한 동적 시뮬레이션으로 접지선 순환전류의 전류 경로와 과열 특성 분석.
- 접지 시스템의 과도 전압 및 전류 분포를 정밀히 모델링하여 문제의 근본 원인 파악.
- 시뮬레이션 결과를 바탕으로 최적의 예방 및 개선 대책을 제안.
3. 예방 및 개선 대책
- 접지선 순환전류를 최소화하기 위한 설비 구조 변경 및 부하 분산 설계.
- 접속부 검토 및 접촉저항을 줄이기 위한 유지보수 방안 마련.
- 열화 상태 점검 및 온도 모니터링을 통해 주요 접속부 성능 정밀 평가.
- 접지 시스템의 안정성을 확보하기 위한 기술적 조치와 설계 최적화.
기술지원의 필요성
- 접지선 순환전류는 설비 과열, 접속부 손상, 계통 불안정성을 유발하는 주요 원인입니다.
- 전력 설비의 수명 단축 및 운영 효율 저하를 방지하려면 전문적인 분석과 기술 지원이 필수적입니다.
- 파워링크는 접지 시스템 문제를 정확히 분석하고, 최적화된 해결 방안을 제공합니다.
파워링크의 강점
- 30년 이상의 전력계통 해석 경험과 검증된 기술력을 보유.
- PSCAD 전문 라이선스와 접지 시스템 분석에 특화된 전문 엔지니어 보유.
- 접지선 순환전류와 관련된 다양한 사례 분석 및 해결 경험.
- 전력설비의 안정성과 신뢰성을 높이기 위한 종합적인 기술지원 제공.
접지선 순환전류로 인한 설비 과열 문제를 해결하고 설비의 신뢰성을 높이려면 지금 바로 파워링크에 기술지원을 요청하세요.
문의하시면 PSCAD 전문가와의 상담을 통해 최적의 솔루션을 경험하실 수 있습니다.
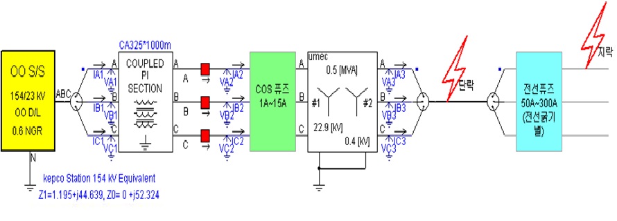
아크플래시 실증시험 및 사고 에너지 분석사례
파워링크는 한전 사내벤처로서 30년 이상의 전력계통 해석 경험과 PSCAD 전문 라이선스를 보유하고 있으며, 아크플래시 실증시험 데이터를 기반으로 설비 보호와 안전사고 예방을 위한 맞춤형 기술 지원을 제공합니다.
기술지원 소개
문제 원인 분석
- 아크플래시의 발생 원인은 단락 전류, 접속 불량, 설비 고장 등 다양합니다.
- 아크에너지로 인해 발생할 수 있는 인체화상, 금속파편, 화재 위험 등을 분석합니다.
- 직렬아크와 병렬아크의 차이를 구분하여 사고 원인을 정확히 진단합니다.
실증시험 및 시뮬레이션
- PSCAD를 활용한 아크플래시 모델링으로 다양한 고장 시나리오를 시뮬레이션합니다.
- 실증시험 데이터를 통해 단락 전류와 차단 시간에 따른 아크에너지 크기를 정밀히 분석합니다.
- 보호계전기 특성과 고장 전류 경로를 평가하여 최적의 설비 보호 대책을 설계합니다.

설비 보호 및 개선 대책
- COS 퓨즈와 전선퓨즈를 활용해 고장 시 차단 시간을 단축하여 아크에너지를 최소화합니다.
- 안전장구(PPE)와 방염 작업복의 등급을 설비 조건에 맞게 추천합니다.
- 아크플래시 위험을 줄이기 위한 설비 보강 및 유지보수 방안을 제공합니다.
기술지원의 필요성
- 아크플래시는 저압 계통에서의 전력량계 교체 작업, 활선 작업, 그리고 설비 고장 시 주요 위험 요소로 작용합니다.
- IEEE 1584-2002 및 NFPA 70E 기준에 따른 아크에너지 분석을 통해 인체 보호와 설비 안정성을 확보해야 합니다.
- 파워링크는 아크플래시 사고 예방과 설비 보호를 위한 종합적인 기술 지원을 제공합니다.
기술지원 문의
아크플래시 사고 분석 및 설비 보호를 위한 맞춤형 기술 지원 서비스를 지금 경험해보세요. 안전사고 예방과 설비 안정성 향상을 위한 전문 컨설팅을 제공합니다.
문의 사항은 PSCAD 모델링 전문가와 상담하시기 바랍니다.
동적 설비 용량 및 수명 평가
설비의 동적 용량을 분석하고 수명을 평가하여 최적의 운영 전략을 수립하는 기술입니다. 기존의 단순한 전압 곱하기 전류에 의한 용량 계산 방식과는 다르게, 외기 온도와 용량의 관계, 단락 시간과 용량의 관계(열적 용량), 고조파와 용량의 관계를 PSCAD 소프트웨어를 사용해 과학적으로 분석합니다. 이를 통해 설비의 효율을 극대화하고 불필요한 비용을 줄이는 데 기여합니다.
감전 및 아크 위험성 평가
전력 설비에서 발생할 수 있는 전기 감전의 위험성과 전기 아크의 위험성을 평가하며, 차단기의 보호 시간, 아크 용량 및 단락 용량 등을 고려한 설비 보호 기준과 인체 보호 기준을 마련하는 기술입니다. 이를 통해 작업자의 안전을 보장하고 설비 사고를 예방하며, 전력 설비의 안전성을 극대화합니다.
분산 전원 순환 전류 해석 및 계통 연계
계통 해석을 통해 순전용 변압기와 발전용 변압기의 철심 구조와 결선 방식을 분석하고, 계통 모델링을 통해 순환 전류와 누설 전류를 구분하여 설비 사고와 효율 문제를 개선하는 기술입니다. 이를 통해 분산 전원의 안정적인 연결과 효율적인 에너지 관리가 가능합니다.
모니터링 및 진단
PSCAD와 Python을 연동하여, 기존의 대수 방정식을 통한 단순한 미지수 계산 방식과는 다르게, 미적분을 활용해 설비의 상태를 분석하는 기술입니다. 이를 통해 전력 설비의 상태를 더욱 정확하게 모니터링하고 진단하여 설비 성능을 최적화하고, 유지보수 비용을 절감합니다. 이 기술은 설비의 수명을 연장하고 안전성을 보장하는 데 중요한 역할을 합니다
전력 품질 측정
고정밀 전력 분석기를 사용해 전력 품질을 측정하고, 이를 COMTRADE 파일 형식으로 변환하여 PSCAD와 연동해 분석하는 기술입니다. 이를 통해 고조파, K-FACTOR, THDF 등의 다양한 지표를 분석하고, 동적 용량 및 효율을 평가할 수 있습니다. 기존의 단순 측정 방식과는 달리, 현장 측정 기술과 디지털 해석 기술을 결합한 디지털 트윈 기술이 핵심이며, 이를 통해 전력망의 품질과 효율을 종합적으로 유지하고 개선할 수 있습니다.











