PSCAD에서 AI, Deep Learning에 필요한 비 정형 고장 데이터 수집 노하우
PSCAD에서 딥러닝에 필요한 0과 1의 디지털 값, 전압과 전류의 순시값, 및 rms값, 전압과 전류를 이용한 2차 가공데이터(유효전력, 무효전력, 역율, 임피던스 등), 비정형 고장 데이터를 다양한 전력 시스템 데이터를 수집하고
이를 AI 기반 보호계전기 및 모니터링 시스템에 활용하는 방법을 정리해보겠습니다.
1. PSCAD 데이터 수집 노하우
PSCAD에서는 디지털 신호(0과 1), 순시값, RMS값, 유효전력 및 무효전력, 임피던스, 고조파 등의 데이터를 수집할 수 있습니다. 데이터 수집 시 유의해야 할 몇 가지 핵심 포인트를 설명드리겠습니다.
(1) 고해상도 샘플링 유지 : 보호 계전기 및 AI 분석을 위해서는 "고속 샘플링(예: 10kHz 이상)"이 필요, 너무 낮은 샘플링 속도에서는 과도 현상이 충분히 반영되지 않아 보호 알고리즘 성능이 저하될 수 있습니다.
(2) 아날로그 및 디지털 신호 분리 : 디지털 신호(0,1)는 트리거 이벤트(차단기 개폐, 보호 계전기 작동 등)를 기록, 아날로그 신호(전압, 전류, 유효전력, 무효전력 등)는 실시간 분석 및 예측 모델에서 활용됩니다.
(3) 노이즈 제거 및 필터링 : 측정값이 노이즈에 민감할 수 있으므로 Moving Average, Butterworth 필터 등을 적용, FFT(고속 푸리에 변환)를 사용하여 불필요한 고조파 성분을 제거하는 것도 고려해야 합니다.
(4) 동기화 및 타임스탬핑 : 모든 데이터는 "시간 동기화(GPS 동기화 포함)"는 계통 사고 분석 및 AI 모델 학습 시 중요함, 실시간 데이터(순시값)와 통합 데이터(RMS, 유효전력 등)를 동일한 타임스탬프로 저장해야 합니다.
(5) COMTRADE 및 CSV 활용 : 보호 계전기에서 COMTRADE(.cfg, .dat) 형식으로 데이터를 저장하면 실시간 계전기 작동 분석이 가능, CSV 또는 MATLAB .mat 형식은 AI 모델 학습을 위해 Python과 연동하기 쉽습니다.
2. AI 기반 보호 계전기에 필요한 데이터
AI를 보호 계전기에 적용할 때는 주요 보호 동작(과전류, 거리계전, 고조파 보호 등)을 학습할 수 있도록 관련 데이터를 수집해야 합니다.
(1) 기본 계전기 보호를 위한 데이터
| 보호 기능 | 필요한 데이터 |
|---|---|
| 과전류 보호 | 전류 순시값, 전류 RMS값, 계전기 트리거 신호 |
| 거리 보호 | 전압 RMS, 전류 RMS, 계통 임피던스, 위상각 |
| 차단기 보호 | 차단기 개폐 상태(디지털 신호), 개폐 시간, 전압/전류 |
| 고조파 보호 | 3~50차 고조파 성분, THD(Total Harmonic Distortion) |
| 역상 보호 | 3상 전류 불평형, 역상 전류 RMS |
- 과전류 보호: 일정 시간 이상 설정된 전류 값을 초과하면 동작.
- 거리 보호: 임피던스가 임계값 이하로 떨어지면 보호 동작.
- 고조파 보호: 특정 고조파 성분이 증가하면 트립 발생.
(2) AI 적용 시 추가적인 데이터
AI 기반 보호 계전기를 개발할 때는 기존 보호 계전기와 다른 추론 및 예측 기능을 강화하기 위해 다음 데이터를 추가로 활용할 수 있습니다.
| 추가 데이터 | 설명 |
|---|---|
| 고장 이력 데이터 | 과거 고장 발생 시의 전압/전류/임피던스 데이터 |
| 기온 및 환경 데이터 | 날씨 변화가 계통에 미치는 영향 분석 |
| 부하 패턴 데이터 | 피크 부하, 비정상 부하 변화 탐지 |
| 주파수 데이터 | 전력 품질 문제(주파수 변동 감시) |
3. 모니터링 시스템에서 AI 적용 시 필요한 데이터
모니터링 시스템에서는 실시간으로 계통 상태를 감시하고, 이상 상태를 조기에 탐지하는 것이 중요합니다. 이를 위해 다음과 같은 데이터를 수집해야 합니다.
(1) 실시간 모니터링을 위한 핵심 데이터
| 모니터링 항목 | 필요한 데이터 |
|---|---|
| 전력 품질 분석 | 전압, 전류, 주파수, 고조파 |
| 부하 예측 | 유효전력, 무효전력, 피크 부하 |
| 고장 탐지 | 전압 Dip/Swell, 전류 스파이크 |
| 설비 상태 분석 | 변압기 온도, 절연 저항, 유중가스 분석 |
- 전력 품질 모니터링: 고조파, 주파수 변동을 분석하여 전력 품질 저하를 감지.
- 부하 예측 및 이상 감지: AI 기반 수요 예측을 통해 과부하 예방.
- 고장 탐지: PSCAD에서 고장 발생 시의 데이터를 학습하여 AI 모델이 실시간 고장 탐지를 수행할 수 있도록 설계.
(2) AI 기반 이상 탐지 및 예측에 필요한 데이터
AI를 활용하여 계통 이상 상태를 조기에 감지하려면, 현실에서는 시간 제어가 불가능하기 때문에 PSCAD 모델링을 통해 100년을 1분이내로 시간을 축소 모델링하여 다음과 같은 데이터를 추가해야 합니다.
| 데이터 종류 | 활용 목적 |
|---|---|
| 장기 데이터 (수년치) | 변압기, 모터 등 주요 설비의 수명 예측 |
| 주기적 패턴 데이터 | 정기적인 부하 변화 및 계통 이벤트 분석 |
| 순간적 이상 신호 | 보호 계전기 동작 전의 이상 신호 감지 |
| 기온, 습도, 환경 변수 | 외부 요인이 전력 품질에 미치는 영향 분석 |
(3) AI 기반 이상 탐지 모델 적용 예시
다음은 AI를 활용하여 이상 상태를 탐지하는 방법의 예시입니다.
-
변압기 이상 예측: 입력 데이터(변압기 온도, 부하, 전압 불평형, 유중가스 분석), AI 모델(시계열 예측->LSTM, GRU), 결과(이상 징후 감지 및 예방 정비 추천)
-
고조파 분석 및 이상 감지: 입력 데이터( 고조파 성분 (3~50차), THD 등), AI 모델( 이상 탐지->Autoencoder, Isolation Forest), 결과(정상/비정상 패턴 구분하여 보호 계전기 조기 동작 가능)
-
지중 전력 케이블 고장 예측: 입력 데이터(절연 저항, 부분방전 데이터, 온도 변화), AI 모델(머신러닝 -> Random Forest, XGBoost), 결과( 케이블 열화 예측 및 유지보수 시점 결정)
결론
-
PSCAD 데이터 수집 노하우 : 고속 샘플링 유지, 노이즈 제거, 데이터 동기화 필수. COMTRADE 및 CSV 파일 활용.
-
보호 계전기 AI 적용 시 필요한 데이터 : 기본 계전 보호 데이터(전류, 전압, 임피던스 등) + AI 학습을 위한 부가 데이터(환경 변수, 부하 패턴 등) 필요.
-
모니터링 시스템 AI 적용 시 필요한 데이터 : 전압, 전류, 주파수, 부하 패턴, 변압기 온도, 절연 저항 등 이상 상태 감지를 위한 다양한 데이터 수집 필요.
-
AI 활용 방안 : 변압기 상태 예측, 고조파 분석, 지중 전력 케이블 고장 예측 등 다양한 영역에 AI를 적용 가능.
디지털 트윈 기반의 전력 시스템 실시간 용량 및 수명 예측 기술
디지털 트윈(Digital Twin) 기술은 현실 세계의 시스템을 가상으로 복제하고, 실시간 데이터를 반영하여 시스템의 동적 변화를 모니터링하고 예측하는 혁신적 도구입니다. 특히 전력 시스템의 안정성과 효율성을 유지하기 위해 설비의 용량과 수명을 정확하게 예측하는 것이 필수적입니다.
기술 개요
디지털 트윈은 가상세계와 현실세계를 연결하여 현실에서 발생하는 변화를 가상 모델에 실시간으로 반영합니다. 이로써 전통적인 이론적 모델의 한계를 극복하고 시간과 공간의 동적 변화에 대한 정확한 예측을 가능하게 합니다.
주요 기술 및 적용 방법
- 가상 세계와 현실 세계의 통합
- 가상세계는 이론적 상수를 기반으로 하지만 현실은 시간과 공간에 따라 끊임없이 변화합니다.
- 디지털 트윈은 두 세계를 연결하여 현실 시스템의 동적 변화를 가상 모델에 반영함으로써 정밀한 예측을 수행합니다.
- 부하 이용률과 외기온도 패턴 분석
- 시간대별, 일별, 주별, 월별로 부하 이용률과 외기온도 패턴을 기록하고 분석합니다.
- 이를 통해 부하와 온도 간의 상관관계를 파악하고 시스템 성능에 미치는 영향을 평가합니다.
- 부하 이용률을 온도 변화로 변환
- 부하 이용률을 시간과 크기 개념으로 변환하여 온도 상승 시점을 예측합니다.
- 이를 통해 설비의 열적 성능을 실시간으로 평가하고 최적의 운영 조건을 도출합니다.
- 재료 열등급과 핫스팟 온도 예측
- 재료의 열등급과 핫스팟 온도 간의 관계를 분석하는 기술 표준을 마련했습니다.
- 시스템 설계 및 운영에 중요한 지침을 제공하며, 특정 온도 도달 시 수명 예측을 가능하게 합니다.
- 시간 압축을 통한 용량 및 수명 예측
- 장기 데이터를 시간 압축 기법으로 처리해 실시간 예측을 수행합니다.
- 예를 들어, 100년 데이터를 1분 이내로 시뮬레이션하여 설비의 장기적 성능을 예측합니다.
기대 효과
- 실시간 예측: 시스템의 동적 변화를 정확하게 예측하여 신속한 의사결정을 지원합니다.
- 설비 수명 관리: 열적 성능과 수명을 예측해 장기적인 운영 전략 수립이 가능합니다.
- 데이터 기반 최적화: 시간대별, 일별, 주별 데이터 분석을 통해 시스템의 안정성과 효율성을 높입니다.
결론
디지털 트윈 기술은 가상세계와 현실세계를 유기적으로 연결해 전력 시스템의 용량과 수명을 실시간 예측하는 혁신적인 접근법입니다. 이 기술을 통해 부하 이용률, 외기온도 패턴, 온도 변화 등을 실시간으로 시뮬레이션하고 예측할 수 있어 전력 시스템의 안정적 운영과 효율적 관리에 기여합니다. 앞으로 실증적 적용과 추가적인 최적화가 더해진다면, 더욱 정교하고 신뢰도 높은 예측이 가능해질 것입니다.
디지털 트윈으로 전력 시스템의 미래를 준비하세요.
PRSIM™ 기반 전력 시스템 통합 해석 솔루션
PRSIM™ (Power System Importer)는 PSS/E와 PowerFactory 데이터를 PSCAD로 자동 변환해 대규모 전력 시스템 시뮬레이션을 보다 효율적으로 수행할 수 있도록 설계된 혁신적 도구입니다. 특히 분산전원 연계 시 PSCAD를 통한 과도 해석이 필수적이며, PRSIM™은 이를 지원하는 최적의 솔루션입니다.

주요 기능
- PSS/E 데이터 통합: 타사 네트워크 도구인 PSS/E 및 PowerFactory에서 생성된 데이터를 PSCAD V5.0 및 V4.6 형식으로 빠르게 변환합니다.
- 과도 해석 최적화: 분산전원 연계 시 발생하는 과도 현상을 정확하게 분석하며, 시스템 안정성을 검증합니다.
- 자동 회로 확장: 네트워크의 일부 또는 전체를 **단선도(SLD)**로 확장하며, 확장되지 않은 부분도 자동으로 동등한 요소를 생성합니다.
- 모듈화된 모델링: 다양한 버스와 지점을 선택해 맞춤형 시스템 모델을 구성합니다.
- 동적 데이터 해석: 시퀀스 및 동적 데이터를 포함한 세부 정보까지 자동으로 가져와 과도 전압과 전류 특성을 해석합니다.
PRSIM™의 필요성: 분산전원 연계 해석
태양광, 풍력 등 분산전원이 전력 계통에 연계될 때 과도 전압 및 전류가 발생하며 시스템 안정성에 영향을 줄 수 있습니다. 이를 해결하기 위해 PSCAD 기반의 과도 해석은 필수적입니다. PRSIM™은 PSS/E 데이터를 PSCAD로 변환해 신뢰도 높은 시뮬레이션을 제공하며, 분산전원 연계 시 발생할 수 있는 다음과 같은 문제를 진단하고 해결합니다:
- 순환전류 및 전압 불평형
- 고조파 발생과 계통 불안정성
- 보호계전기의 오동작
기대 효과
- 시간과 비용 절감: 복잡한 데이터 변환 및 시뮬레이션 설정 과정을 자동화해 작업 시간을 크게 단축합니다.
- 정확한 과도 해석: PSCAD로 변환된 데이터를 통해 정확한 과도 현상 분석이 가능하며, 계통의 안정성을 검증합니다.
- 맞춤형 솔루션 제공: 사용자 요구에 맞춘 인터페이스와 시뮬레이션 환경을 제공하여 유연한 시스템 모델링이 가능합니다.
PRSIM™은 PSS/E 기능을 PSCAD와 통합하여 시스템 해석의 정확도와 효율성을 높입니다. 특히 분산전원 연계 시 필수적인 과도 해석을 지원해 전력 계통의 안정성 확보와 효율적 운영에 기여하는 핵심 솔루션입니다.
변압기 철심구조 및 결선방식에 따른 순환전류 방지기술
현대 전력 시스템에서는 태양광, 풍력 등 분산전원의 비중이 증가하면서 순환전류 문제가 주요 이슈로 대두되고 있습니다. 순환전류는 변압기의 철심 구조와 결선 방식에 따라 발생할 수 있으며, 이는 시스템의 효율을 저하시키고 보호장치의 오동작을 유발할 수 있습니다. 이를 해결하기 위해 PSCAD를 활용한 맞춤형 이중성 기반 변압기 모델을 소개합니다.
철심 구조 및 결선 방식의 중요성
변압기의 철심 구조는 단순히 전력을 변환하는 역할에 그치지 않고 불평형 부하와 순환전류 발생에 직접적인 영향을 미칩니다. PSCAD 기반의 맞춤형 변압기 모델에서는 다음과 같은 철심 구조와 결선 방식을 적용할 수 있습니다:
- 1상 철심 (Single-Phase Core): 불평형 부하에서 상대적으로 간단한 구조를 제공하지만 순환전류에 취약할 수 있습니다.
- 3상 3각 철심 (3-Limb Core): 3상 결선 구조에서 불평형 전류를 최소화하며 제로 시퀀스 전류를 효과적으로 제어합니다.
- 3상 5각 철심 (5-Limb Core): 철심 경로를 확장하여 제로 시퀀스 전류의 흐름을 개선하고 순환전류를 방지합니다.

PSCAD 기반 이중성 원리 모델
PSCAD 맞춤형 이중성 기반 변압기 모델은 철심 구조와 결선 방식에 따른 순환전류 문제를 시뮬레이션하고 해석할 수 있는 강력한 도구입니다. 이를 통해 변압기의 성능을 최적화하고 시스템의 안정성을 강화할 수 있습니다.
- 모델 구현: 1상, 3각철심, 5각철심 구조를 바탕으로 다양한 결선 방식(스타, 델타, 지그재그 등)을 적용할 수 있습니다.
- 불균형 단층 해석: 불평형 부하에서 발생하는 제로 시퀀스 플럭스를 정밀하게 분석하여 순환전류를 방지합니다.
- 시뮬레이션 기반 검증: 포화 곡선, 내부 출력 전류 등을 시뮬레이션하고 최적화된 결선 방식을 제안합니다.

주요 기술적 특징
- 순환전류 방지: 철심 구조와 결선 방식을 적절히 적용하여 제로 시퀀스 전류 흐름을 차단합니다.
- 시스템 최적화: PSCAD를 활용해 불균형 부하 상황에서 변압기의 성능을 정밀하게 해석하고 최적화합니다.
- 정확한 해석: 내부 자화전류 및 플럭스 링크 값 등을 pu 단위로 계산해 시스템 설계 시 유용한 데이터를 제공합니다.
- 다양한 결선 방식 지원: 스타(Star), 델타(Delta), 지그재그(Zigzag) 등 다양한 결선 방식을 통해 시스템 요구에 맞는 모델 구현이 가능합니다.
기대 효과
- 순환전류 제거: 철심 구조와 결선 방식의 최적화를 통해 순환전류를 최소화하고 시스템 안정성을 확보합니다.
- 보호장치 오동작 방지: 불평형 전류를 제어함으로써 보호계전기의 신뢰성을 향상시킵니다.
- 에너지 손실 감소: 불필요한 전력 손실을 줄이고 에너지 효율성을 극대화합니다.
- 확장성: 단상, 3상 시스템뿐만 아니라 대규모 분산전원 연계에도 적용 가능합니다.
그리드 연결형 VSC 기술 소개
그리드 연결형 VSC (Voltage Source Converter)는 DC 전압 제어 및 P 제어 기능을 통해 태양광, 풍력 등 재생에너지를 그리드에 안정적으로 연계하는 핵심 기술입니다. VSC는 2레벨 3극 브리지를 기반으로 6개의 IGBT 다이오드를 활용하여 설계되며, 양방향 전력 흐름 제어를 지원합니다.
- DC 전압 제어 VSC
DC 전압 제어는 3상 AC 전원을 DC 부하/소스에 연결하며, 전압 안정화와 효율적인 에너지 변환을 지원합니다. 이 기술은 주로 DC 시스템에 전력을 공급하거나 저장하는 데 사용됩니다.

- P 제어를 갖춘 VSC
P 제어는 유효 전력(P) 흐름을 제어하여 그리드와의 전력 품질을 유지하고, 안정적인 연계 운영을 보장합니다. 이를 통해 전력의 손실을 줄이고 계통 안정성을 강화합니다.

주요 특징
- 양방향 전력 제어로 DC 및 AC 간 에너지 흐름 최적화
- 전압 제어 및 유효 전력 제어를 통해 그리드 연계 안정성 강화
- 재생에너지 시스템의 효율적 연계 및 에너지 저장 기술 적용
활용 분야
- 태양광 및 풍력 발전 시스템 그리드 연계
- DC 배전망 및 에너지 저장 시스템(BESS) 최적화
- 전력 품질 제어 및 안정화 솔루션
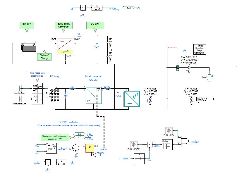
배터리 에너지 저장 시스템(BESS) 연계 기술
배터리 에너지 저장 시스템(BESS)과 그리드 연계 기술은 재생에너지의 변동성을 해결하고 잉여 전력을 효율적으로 저장하는 핵심 솔루션입니다. 태양광 시스템에서 생산된 잉여 에너지는 배터리에 저장되며, 필요 시 방전되어 전력을 공급합니다.
DC-DC 컨버터는 배터리 전압을 제어하고 "최대 전력점 추적(MPPT)"을 통해 전력 변환 효율을 높이며, DC-AC 컨버터는 유효 및 무효 전력을 제어해 안정적인 전력 공급을 지원합니다. "그리드 연결 컨트롤러(POC)"는 시스템 운영과 전력 흐름을 실시간으로 최적화합니다.

이 시스템은 충전/방전 기능과 함께 고장 발생 시 무효 전력을 빠르게 주입해 전력 품질을 유지합니다. PSCAD 시뮬레이션을 통해 다양한 조건에서 성능을 검증하고 최적화할 수 있어 에너지 효율성과 그리드 안정성을 동시에 강화합니다.
BESS 기술은 태양광 발전 설계, 재생에너지 계통 안정화, 그리고 대규모 그리드 연계 시스템의 성능 검증에 활용됩니다. 결론적으로, 이 기술은 전력 비용 절감과 지속 가능한 에너지 공급을 가능하게 하며, 안정적이고 최적화된 운영을 지원합니다. ![]()
태양광 시스템 전력 계통에 연계 기술
그리드 연결형 태양광 시스템 연계기술은 PSCAD 시뮬레이션을 활용해 태양광 발전소의 효율적 운영과 전력 제어를 지원하는 핵심 기술입니다. 발전소 컨트롤러(PPC)를 통해 연결 지점(POC)에서 실시간 모니터링 및 제어를 수행하고, 부스트 컨버터와 MPPT를 통해 최대 전력 추적과 출력 최적화를 실현합니다.

또한 DC-AC 인버터는 유효 전력과 무효 전력을 제어해 그리드 안정성을 강화하며, 여러 인버터를 스케일링 모델링으로 집계해 대규모 태양광 농장의 효율적 시뮬레이션을 지원합니다. 이를 통해 태양광 발전소는 다양한 조건에서도 전력 품질을 개선하고 최대 성능을 유지하며, 재생에너지 계통 연계와 지속 가능한 에너지 운영을 실현할 수 있습니다.

전력시스템 보호를 위한 TRV 제어 및 차단기 최적화 기술
개폐기 TRV란 무엇인가?
개폐기 TRV(Transient Recovery Voltage : 과도 회복 전압)는 차단기 또는 개폐기가 전류를 차단할 때 발생하는 순간적인 전압 변동을 의미합니다. 이 전압은 회로의 인덕턴스와 커패시턴스 특성에 의해 발생하며, 차단기의 성능과 전력 시스템의 안정성에 직접적인 영향을 줍니다. TRV를 효과적으로 제어하지 못하면 절연 파괴, 재점호 현상 등으로 시스템 신뢰도가 저하될 수 있습니다.
TRV의 발생 원인과 특성
TRV는 다음과 같은 요인에 의해 발생합니다:
- 시스템 인덕턴스와 커패시턴스: 회로의 특성이 TRV의 크기와 진동 주파수를 결정합니다.
- 부하 특성: 부하가 유도성인지 용량성인지에 따라 전압 회복 특성이 달라집니다.
- 차단 시점: 전류가 영점(Zero Crossing) 근처에서 차단될 때 급격한 과도 전압이 발생합니다.
TRV의 주요 특성은 피크 전압, 상승 시간, 진동 주파수로 구분되며, 이러한 특성에 대한 정확한 분석과 대응이 필요합니다.
TRV가 시스템에 미치는 영향
TRV는 시스템 안정성과 차단기의 수명을 저하시키며, 다음과 같은 문제를 유발할 수 있습니다:
- 절연 파괴: TRV가 설계 한계를 초과하면 차단기 및 전력 설비의 절연이 손상될 수 있습니다.
- 재점호 현상: 차단기가 전류를 완전히 차단하지 못하고 다시 흐르게 되는 현상입니다.
- 설비 손상: 높은 TRV는 차단기의 기계적/전기적 수명을 단축시킵니다.
TRV 제어 및 PSCAD 모델링을 통한 컨설팅 필요성
TRV 문제 해결을 위해 PSCAD 모델링과 전문 컨설팅이 필수적입니다. TRV 특성 분석 및 최적화를 통해 다음과 같은 솔루션을 제공할 수 있습니다:
- 회로 구성 최적화
회로 내 인덕턴스와 커패시턴스를 조정하여 TRV를 최소화합니다. - 서지 억제기 적용
피크 전압을 억제하기 위해 서지 흡수 장치(아레스터)를 시스템에 설치합니다. - 차단기 개선 설계
TRV에 강한 특성을 가진 고속 차단기를 적용하고, PSCAD 시뮬레이션을 통해 최적의 차단기 사양을 도출합니다. - 시뮬레이션 기반 TRV 분석
PSCAD와 같은 전문 해석 도구를 활용해 다양한 시나리오에서 TRV 특성을 시뮬레이션하고 분석합니다. 이를 통해 실제 운영 시 발생할 수 있는 위험을 사전에 예측하고 대응할 수 있습니다.
컨설팅을 통한 기대 효과
- TRV 최적 제어: 회로 최적화를 통해 TRV를 줄여 시스템의 안정성을 확보합니다.
- 설비 보호 및 비용 절감: 차단기 손상을 예방하고 유지보수 비용을 절감합니다.
- 재생에너지 및 분산전원 연계 최적화: TRV가 발생하기 쉬운 재생에너지 시스템의 안정적 연계를 지원합니다.
결론
개폐기 TRV는 전력 시스템의 안전성과 설비 수명을 좌우하는 중요한 요소입니다. PSCAD 모델링 기반 컨설팅을 통해 TRV를 정밀하게 분석하고 최적화된 솔루션을 적용함으로써 시스템의 신뢰성과 효율성을 극대화할 수 있습니다. 전문 컨설팅을 통해 TRV 문제를 사전에 해결하고, 안정적인 전력 시스템 운영을 실현하십시오.
변압기 돌입 전류 모델링 기술
PSCAD를 활용한 변압기 돌입전류 분석의 필요성
PSCAD를 활용한 변압기 돌입전류 모델링 기술은 전력계통에서 발생하는 중요한 과도현상을 정밀히 분석하고, 설계 및 운영의 안정성을 보장하기 위한 핵심 기술입니다. 특히, Jiles-Atherton 모델을 활용하여 철심의 비선형 자성 특성과 히스테리시스 특성을 정확히 반영할 수 있습니다.
변압기 돌입전류는 고장 오인으로 인한 보호계전기의 오동작, 전압 강하, 계통의 고조파 왜곡 및 변압기 권선의 기계적 손상 등을 초래할 수 있는 중요한 과도현상입니다. 따라서 이러한 문제를 사전에 예측하고 적절한 대책을 수립하기 위해서는 정확한 모델링이 필수적입니다.
주요 기술 특징
- Jiles-Atherton 히스테리시스 모델 구현
- 철심의 B-H 곡선을 정밀히 반영하여 자성 포화와 잔류 자화를 정확히 모델링.
- 비선형 자성 특성을 구현하여 보다 현실적인 돌입전류 분석 가능.
- 시간 도메인 과도현상 해석
- PSCAD는 시간 도메인에서 돌입전류의 동적 특성을 시뮬레이션하여 초기 돌입전류 크기와 감쇠 패턴을 분석합니다.
- 스위칭 각도에 따른 돌입전류 변화를 정밀히 예측 가능.
- 실험 데이터와의 높은 신뢰성
- PSCAD 시뮬레이션 결과와 실험실 측정 데이터를 비교한 결과, 높은 일치도를 보임으로써 신뢰성 입증.
- 실험 결과와 모델 간 차이를 줄이는 정확한 파라미터 설정 가능.
PSCAD를 활용한 변압기 돌입전류 모델링의 응용 분야
- 보호계전기 오동작 방지
- 돌입전류와 고장 전류를 구분하여 보호계전기의 정확한 동작 보장.
- 전력계통의 안정성 확보
- 돌입전류로 인한 계통 전압 강하 및 고조파 왜곡 방지.
- 분산전원 연계 분석
- 태양광 및 풍력 발전과 같은 재생에너지 연계 시 발생할 수 있는 돌입전류를 정밀히 예측.
- 안전성 및 효율성 향상
- 변압기의 기계적 스트레스와 열화 방지를 위한 설계 최적화.
결론
PSCAD는 변압기 돌입전류 분석에서 정확하고 신뢰성 높은 결과를 제공하는 필수 도구입니다. 철심의 비선형 특성과 과도현상을 정밀히 모델링하여 보호계전기 검토, 재생에너지 연계, 전력계통 설계 등에 효과적으로 활용될 수 있습니다.
PSCAD를 통해 변압기 돌입전류 문제를 미리 예측하고 해결 방안을 설계하세요. 더 많은 정보가 필요하다면 지금 문의하세요!
HVDC 차단기 개발 기술
기술 개요
HVDC 차단기는 고장 발생 시 높은 직류 전류를 신속하게 차단하는 장치입니다. 이는 기존 AC 차단기와 달리 직류는 전류가 영점(Zero Crossing)을 갖지 않아 차단이 복잡하며 더 높은 기술적 요구 사항이 필요합니다. 특히, 최근 연구된 Hybrid HVDC Breaker는 CIGRE Bologna 2011에서 제시된 Proactive Hybrid HVDC Breaker 모델을 기반으로 설계되었습니다.
이 기술은 **기계식 차단기와 전력 반도체(IGBT)**를 결합하여, 기계식 차단기의 저손실 특성과 전력 반도체의 빠른 차단 속도를 동시에 활용합니다. 이러한 하이브리드 접근법을 통해 시스템의 전류를 신속하고 안정적으로 차단할 수 있습니다.

기술 작동 원리
HVDC 차단기는 주로 세 가지 주요 부분으로 구성됩니다:
- ResCtrl (저항 제어기): 초기 고장 발생 시 저항을 통해 전류를 제어합니다.
- FastCtrl (빠른 제어기): 고장 전류가 급격히 증가하기 전에 전류를 빠르게 차단하는 역할을 수행합니다.
- Main DC Breaker 및 Aux DC Breaker: 차단기의 핵심 요소로, 전류를 안전하게 차단하며 시스템의 고장 전류 흐름을 효과적으로 차단합니다.
이와 같은 구조는 시스템의 안정성을 보장하고 고장 후에도 전력망의 신속한 복구를 지원합니다.
HVDC 차단기의 주요 특징
- 빠른 고장 대응: 수 밀리초(ms) 내에 고장 전류를 신속하게 차단합니다.
- 하이브리드 방식: 전력 반도체와 기계식 차단기의 장점을 결합해 성능과 효율성을 극대화합니다.
- 에너지 손실 최소화: 고장 전류를 빠르게 차단하면서 시스템의 에너지 손실을 최소화합니다.
- 확장성: 대규모 HVDC 전력망에서도 적용 가능하며 안정적인 연계를 지원합니다.
기대 효과
HVDC 차단기의 도입은 고장 시 빠른 전류 차단과 전력망의 안정성 강화를 실현합니다. 특히 재생에너지와 같은 분산 전원 연계가 증가하는 현대 전력 시스템에서는 고장 시 신속한 대응이 더욱 중요해졌습니다. Hybrid HVDC Breaker는 이러한 요구를 충족하면서도 에너지 손실을 최소화하고 시스템 안정성을 극대화하는 핵심 기술입니다.














